Get the latest tech news
The Most Detailed 3D Reconstruction of Human Brain Tissue
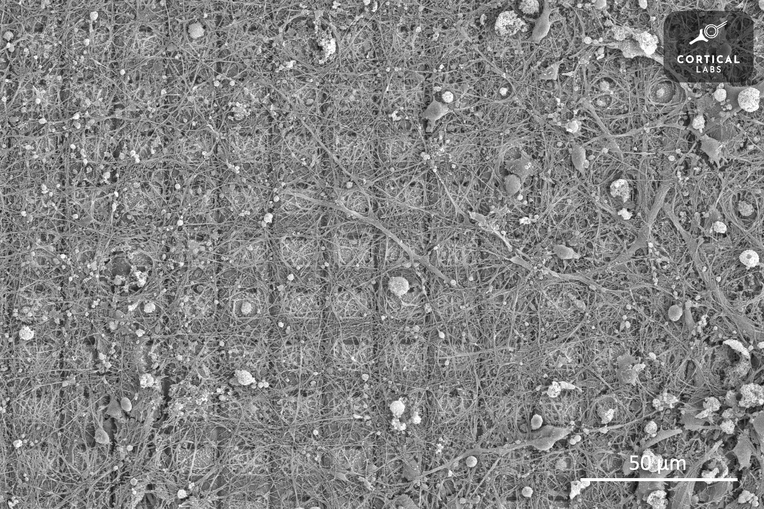
An anonymous reader quotes a report from Interesting Engineering: Imagine exploring the intricate world within a single cubic millimeter of human brain tissue. It might seem insignificant, but within that tiny space lies a universe of complexity -- 57,000 individual cells, 230 millimeters of blood v...
An anonymous reader quotes a report from Interesting Engineering: Imagine exploring the intricate world within a single cubic millimeter of human brain tissue. It might seem insignificant, but within that tiny space lies a universe of complexity -- 57,000 individual cells, 230 millimeters of blood vessels, and a staggering 150 million synapses, the junctions where neurons communicate. Envision a piece of brain tissue roughly half the size of a rice grain but magnified to reveal every cell and its web of neural connections in vivid detail.
Or read this on Slashdot

